详细分析 优惠券折扣(31)
商品筛选
-
书籍/杂志/报纸
27.3
低价
正版包邮 中国政府 陈之迈 民国时期中国政府全貌进行了详细全面的叙述与分析 上海人民出版社书籍
天猫好物 读乐尔图书专营店
购买 -
电子元器件市场
8
低价
功能正常议价 EX-Z全自动电解质分析仪 成色如图 实物拍摄 详细看
淘宝好物 德丰工控
购买 -
白描技术分析图书
31
低价
工笔花鸟画入门技法教程 工笔画临摹画册绘画书自学零基础画画指南 新手小白宋画院派 基础概念知识技法详细讲 白描技术分析图书
天猫好物 墨马图书专营店
购买 -
白描技术分析图书
31
低价
工笔花鸟画入门技法教程 工笔画临摹画册绘画书自学零基础画画指南 新手小白宋画院派 基础概念知识技法详细讲 白描技术分析图书
天猫好物 馨园青图书专营店
购买 -
白描技术分析图书
31
低价
工笔花鸟画入门技法教程 工笔画临摹画册绘画书自学零基础画画指南 新手小白宋画院派 基础概念知识技法详细讲 白描技术分析图书
天猫好物 墨涵图书专营店
购买 -
书籍/杂志/报纸
173
券后价
178海外直订日语 プロが教えるいちばん詳しいGoogleアナリティクス4 专业人士传授的最详细的谷歌分析4
天猫好物 中华商务图书专营店
5元优惠券 -
电子元器件市场
18
低价
EX-Z全自动电解质分析仪 成色 拍 详细看(议价)
淘宝好物 科亚自动化设备贸易
购买 -
书籍/杂志/报纸
107.88
折扣
116预售 人人都学得会的网络大数据分析入门:一步步教!超详细! 21 进口原版
天猫好物 恒学图书专营店
购买 -
考研成功数学
25.8
低价
【红博士官方】备考2027张天德考研成功数学二真题详解含2011-2025共16年真题试卷 数二考研真题大题留白详细解析错例分析
销量1 红博士图书旗舰店
购买 -
商务/设计服务
39
低价
华远NB350/500带手工气保焊控制板电路分析详细标注焊机维修资料
销量1 老KU焊机维修资料店
购买 -
商务/设计服务
29.9
低价
2021《民法典》合同编全文ppt解读详细解读亮点解读案例分析课件
销量1 小丫小爱办公素材
购买 -
电子元器件市场
500
低价
安泰信AT5005频谱分析仪,参数500MHz,差,详细.询价
淘宝好物 奥莱精密设备
购买 -
形式语言基础
51
折扣
68形式语言基础 形式语言基本特点 展现艺术语言 平面色彩和立体三个方面展开系统性分析和研究 艺术与设计经典作品进行详细论述书籍
天猫好物 科达图书专营店
购买 -
形式语言基础
34
折扣
68形式语言基础 形式语言基本特点 展现艺术语言 平面色彩和立体三个方面展开系统性分析和研究 艺术与设计经典作品进行详细论述书籍
销量1 化学工业出版社旗舰店
购买 -
【出版社直发 路径可查 确保正版 放心买】
58.78
低价
HG形式语言基础形式语言基本特点展现艺术语言平面色彩和立体三个方面展开系统性分析和研究艺术与设计经典作品进行详细论述书籍HG
天猫好物 虎彩图书专营
购买 -
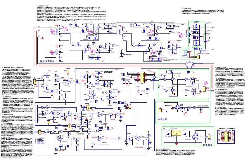
针对瑞凌型IGBT埋弧焊机的控制主板、小车控制板、控制模块电路详细标注详细解说分析是一款很不错的学习维修资料
34.2
折扣
38瑞款MZ-1000/1250IGBT逆变埋弧焊机原理图电路详细解说标分析资料
淘宝好物 老KU焊机维修资料店
购买 -
书籍/杂志/报纸
67.5
折扣
88.32老屋创生:传统空间改造与更/新 陈国慈 著 7大空间改造类别 25种老屋运营策略 低成本老屋空间改造案例分析级详细策略 正版书籍
天猫好物 木垛旗舰店
购买 -
办公设备/耗材/相关服务
10.8
低价
数据包络(dea)分析详细讲义-ppt
淘宝好物 搬运工小飞
购买 -
商务/设计服务
50
低价
批量采集网站数据自动化生成详细图表分析的脚本
淘宝好物 千川工作室A
购买 -
书籍/杂志/报纸
73.5
低价
正版 计算机考研精炼1000题 2025版 睿德 计算机与网络书籍 复习参考书 十多年的真题 详细的讲解和分析 清华大学出版社
天猫好物 读乐尔图书专营店
购买 -
此图纸为青岛系列单板式单管IGBT逆变手工焊分析解说图纸,全桥逆变、3846控制芯片、假空载电路、无分流器、适用手工焊氩弧焊主板电路分析资料
31.5
折扣
35青岛款ZX7-400单管IGBT逆变手工焊电路分析详细标注解说维修资料
销量1 老KU焊机维修资料店
购买 -
电子元器件市场
850
低价
安泰信AT5005频谱分析仪,参数500MHz,成色差,详细
淘宝好物 豪卖自动化设备
购买 -
书籍/杂志/报纸
100.9
低价
2021新书 中华人民共和国民法典物权编释义 刘智慧 中国法制出版社 典型案例解读 案情精炼 分析详细 法律书籍9787521611199 正版
天猫好物 安徽新华书店旗舰店
购买 -
书籍/杂志/报纸
12.6
低价
正版包邮 敲门砖色彩风暴 色彩静物 色调攻略李家友主编高考阶段读者使用的色彩静物技法辅导书详细地分析9787229056902
天猫好物 畅想之星图书专营店
购买 -
商务/设计服务
33
低价
佳土ZX7-200单管IGBT手工焊电路详细解说分析教程焊机维修资料
销量1 老KU焊机维修资料店
购买 -
本图纸完整、有电压标注、波形标注、分析解说详细见容丰富、通用性强、通俗易懂,全桥MOS管逆变带手焊。
39
低价
瑞佳款WSME315交直流脉冲氩弧/手工逆变焊机原理图详细解说分析
淘宝好物 老KU焊机维修资料店
购买 -
商务/设计服务
29.9
低价
2021《民法典》总则全文ppt解读详细解读亮点解读案例分析课件
淘宝好物 小丫小爱办公素材
购买 -
商务/设计服务
10
低价
T61 华远NB350/500带手工气保焊控制板电路分析详细标注维修资料
淘宝好物 逆变梦想
购买 -
商务/设计服务
20
低价
T61 华远NB350/500带手工气保焊控制板电路分析详细标注维修资料
淘宝好物 诚信服务经营
购买 -
商务/设计服务
50
低价
网站批量数据采集自动化生成详细报表分析脚本
淘宝好物 千川工作室A
购买