powerbeats3 相关频道
powerbeats3 优惠券折扣 (7893)
商品筛选
-
豆豆本换装场景合集礼盒套装造景贴纸书女孩 16.75 官方立减
24.75换装豆豆本礼盒套装女孩儿童迷你贴纸书微缩造景场景手帐贴纸儿童安静书免裁剪3d立体贴画手账素材装饰小图案
天猫好物 心做旗舰店
优惠3元 -
电子元器件市场 0.3 低价
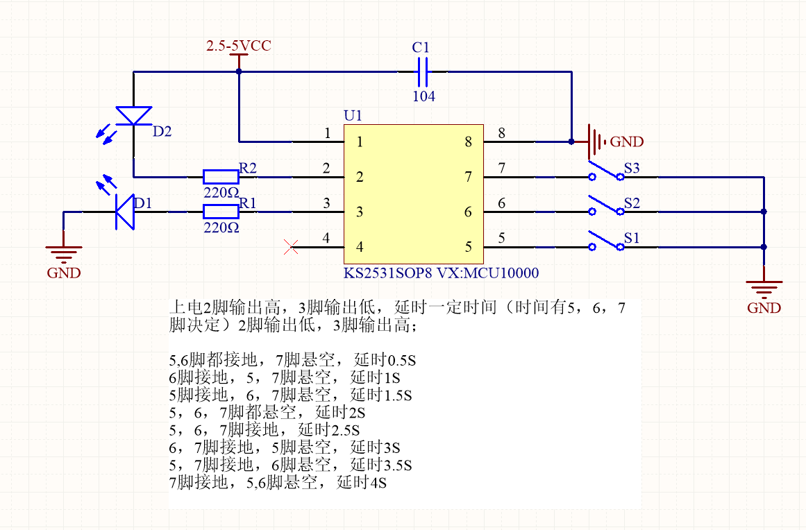
0.5秒1秒1.5秒2秒2.5秒3秒3.5秒4秒通电延时复位芯片 上电延时IC
销量14 单片机方案 触摸方案 PCBA
购买 -
书籍/杂志/报纸 61.6 低价
【新华书店旗舰店】正版包邮 政府采购、工程招标、投标与评标1200问(第3版) 策略 技巧 竞争性磋商 PPP项目案例和例题解读 正版
销量9 浙江新华书店旗舰店
购买 -
电子/电工 138.6 折扣
220304不锈钢3户PZ40单相电表箱三户配电DZ47导轨家用明装暗装
销量2 金胜3企业店
购买 -
工业油品/胶粘/化学/实验室用品 5.5 低价
一次性塑料吸管1ml/2ml/3ml/5ml/巴氏吸管刻度滴管100支巴氏吸管
销量3 海门市晶旷实验器材厂
购买 -
书籍/杂志/报纸 16.2 折扣
43.2Klutz-指甲造型创意课 3-4-6岁儿童专注力思维训练书益智书籍创意手工美甲设计 幼儿园宝宝 博库网
销量24 博库旗舰店
购买 -
童装/婴儿装/亲子装 9.2 券后价
12.5胎帽新生婴儿a类纯棉秋冬春秋0到3个月初生小月龄宝宝护卤门帽子
销量10 紫茹潮范
2元优惠券 -
搬运/仓储/物流设备 830 折扣
930【顺丰配送】耀华地磅秤1-3吨电子高精度小型地磅5吨2吨工业物流
销量66 恒平工业衡器企业店
购买 -
一本让统计活起来的图书 139.3 折扣
199官网正版 统计学基础 透过数据看世界 原书第3版 罗伯特 古尔德 统计学教材 9787111732068 机械工业出版社旗舰店
销量13 机械工业出版社旗舰店
购买 -
新华书店正版 儿童文学 文轩网 11.1 低价
门神宝贝故事奇想树儿童绘本 幼儿园小学生3-4-5-6-8岁课外书籍阅读 父母与孩子的睡前亲子阅读绘本故事书
销量16 新华文轩旗舰
购买 -
电子元器件市场 4.5 低价
原装正品 STM8S103K3T6C LQFP-32 16MHz/8KB闪存/8位微控制器-MCU
销量12 深圳市优信电子科技有限公司
购买 -
橡塑材料及制品 15 低价
适用大宇mini壁挂洗衣机3PJ1031皮带
销量32 江苏省江阴市三信家用电器配件
购买 -
正版新书 3册套装 119.8 券后价
122.8养老机构经营与管理+养老机构管理与服务+养老服务机构院长实务培训 3册图书籍
销量19 兰兴达图书专营店
3元优惠券 -
GX12 优质产品 12mm 0.9 低价
航空插头插座接头 GX12-2芯3芯4芯5芯6芯 航空插座 连接器 12MM
销量45 东菱微优铄信专卖店
购买 -
电脑硬件/显示器/电脑周边 530 低价
二手戴尔T3630准系统图形工作站酷睿i3i5i7设计建模渲染电脑主机
销量8 大地科技 二手品牌电脑 配件
购买 -
节庆用品/礼品 10.4 官方立减
11.93天72小时莲花纯酥油灯蜡烛玻璃平口杯无烟长明灯供佛堂礼佛厂家
销量1 华御车品旗舰店
优惠1.5元 -
汽车零部件/养护/美容/维保 13.8 券后价
14.8荣威i5/i6/RX5MAX/5PLUS/Ei5/RX3/RX9/350叶子板侧标金属3D改装
天猫好物 富晨谨凝专卖店
1元优惠券 -
工业油品/胶粘/化学/实验室用品 352169 券后价
352170ASTME398湿度法透湿率测试仪塑料片材透湿测定仪W3/130济南兰光
淘宝好物 tb313036658659的小店32
1元优惠券 -
搬运/仓储/物流设备 1 低价
地磅配件广测柯力0.5 吨1吨2吨3吨支脚不倒翁脚接线盒垫铁防鼠板
销量50 明恩衡器
购买 -
全新正版 极速发货 32.8 低价
2025正版苏教版六年级下册语文数学英语课本书教材教科书全套3本江苏版小学6六年级下册人教版语文苏教版数学译林版英语课本书教材
销量45 童宇图书专营店
购买 -
搬运/仓储/物流设备 2142 官方立减
2520沪工环链电动葫芦0.5吨1吨2吨3吨5吨运行式起重机380V链条式吊机
销量1 沪工工厂店
优惠378元 -
标准件/零部件/工业耗材 390 折扣
260液压马达BM3-400/160/200/250/315吊车卷扬机 低转速大扭矩油马达
销量64 众立液压
购买 -
标准件/零部件/工业耗材 9.85 低价
FAC41/42/46/71/72/76-D3/固定环4/5/6/8/10/12/13/15平替怡合达
销量2 米达五金自动化设备
购买 -
智能设备 1998 低价
二手大疆无人机DJI Mini3/Mini3 Pro智能专业航拍器
销量9 八匹狼航拍无人机企业店
购买 -
清洗/食品/商业设备 1299 低价
工业冷水机风冷水冷式注塑机模具水池冰水机3/5/10P冷却水循环机
淘宝好物 广东斯科达科技
购买 -
五金/工具 1845 低价
Boden齿轮泵BAP2B1D14C2E3/D10/D12/D16/D18/D20/D25/D28/D30C2E3
淘宝好物 tb1611138046
购买 -
家居饰品 78.1 券后价
94.5儿童房间布置装饰挂画拉布墙面贴纸女孩床头身高测量亚克力3d立体
销量3 博尼亚旗舰店
5元优惠券 -
农机/农具/农膜 588.9 低价
农用灌溉水泵大流量抽水泵2寸3寸4寸220V农业灌溉泵380V抽水机
销量3 乐敦甄选店
购买 -
书籍/杂志/报纸 29.8 低价
宝宝认知洞洞书(第一辑)全10册猜猜我是谁婴儿早教洞洞书0-1-3周岁适合一到两岁半宝宝书籍撕不烂 儿童认知卡片立体纸板书
销量14 新华博宇图书专营店
购买 -
书籍/杂志/报纸 17.47 折扣
74Klutz-指甲造型创意课 3-4-6岁儿童专注力思维训练书益智书籍创意
销量10 天猫超市
购买