LS250 优惠券折扣(3)
商品筛选
-
五金/工具
1018
券后价
1068寿力空压机LS25S-250/300空气过滤器88290001-466/88290001-467
淘宝好物 韦鑫企店
50元优惠券 -
特色手工艺
3790
低价
JCZ-250/12-LS互锁型高压真空接触器电容柜启动柜计量柜
淘宝好物 布乐精品行的小店55
购买 -
摩托车/装备/配件
66.5
券后价
68.5光阳原厂 S250/lS350/ST250/赛艇400 机油滤芯 机滤 机油格
淘宝好物 和荣楼日用品的小店16
2元优惠券 -
五金/工具
300
折扣
560寿力LS25S-250/350螺杆空压机内置机油滤清器02250139-996油滤芯
淘宝好物 空压机保养配件直销店
购买 -
3C数码配件
1665
券后价
1715LG LS 380V漏电断路器EBN203C 125A 150A 200A 225A 250A原装ELCB
淘宝好物 晋丹兰商贸
50元优惠券 -
办公设备/耗材/相关服务
84180
低价
盒机KL-250LS装阿拉伯自烟膏包装设盒备 全动水烟装盒 50克烟膏装
淘宝好物 利通鑫五金机械
购买 -
汽车零部件/养护/美容/维保
75
低价
is250 gs300 NX200 RX270 ES260 LS350 平衡杆球头 平行杆吊臂
淘宝好物 北京丰菱销售部
购买 -
摩托车/装备/配件
71.5
券后价
73.5光阳原厂 S250/lS350/ST250/赛艇400 机油滤芯 机滤 机油格
淘宝好物 泰瑞亭日用品
2元优惠券 -
电子元器件市场
800
低价
LS N250-D断路器【议价】
淘宝好物 顺庆工控商城
购买 -
3C数码配件
254
低价
LS ABN 250-D断路器4线200安议价
淘宝好物 欧美机械配件
购买 -
3C数码配件
245
低价
LS ABN 250-D断路器4线200安议价
淘宝好物 德瑞自动化设备
购买 -
户外/登山/野营/旅行用品
111
低价
ZB250AP SR-10AR SR-20AL LS-7000 CA-LH5P CA-LMA2 CA-DSB3
淘宝好物 宏图工控
购买 -
工业油品/胶粘/化学/实验室用品
320
低价
LS ABN 250-D断路器,4线200安
淘宝好物 欧贝尔科技
购买 -
办公设备/耗材/相关服务
24156
低价
封定制KL-250LS盒动装拉面包装机 年糕去全自入盒盒机 多功能面条
淘宝好物 利信通五金机械
购买 -
标准件/零部件/工业耗材
147
券后价
153LS塑壳断路器BS63B 103B 203B 3P 60A100A150A200A225A250A空开
淘宝好物 赛季淼商贸
6元优惠券 -
3C数码配件
48.54
低价
03455LS1H原装「FUSE HLDR CART 250V 10A PNL MNT」正品
淘宝好物 荣芯元器件一站式采购
购买 -
3C数码配件
48.87
低价
03453LS1H原装「FUSE HLDR CART 250V 20A PNL MNT」正品
淘宝好物 荣芯元器件一站式采购
购买 -
五金/工具
2786.8
低价
TS250H FTU FMU ATU ETS ETM 2P 3P 4P3D 原厂 LS 塑壳断路器
淘宝好物 精选工控科技
购买 -
电子元器件市场
13.71
低价
全新LS085R101F250V1A原装(LS085R101F250V1A)正品
淘宝好物 芯语商城
购买 -
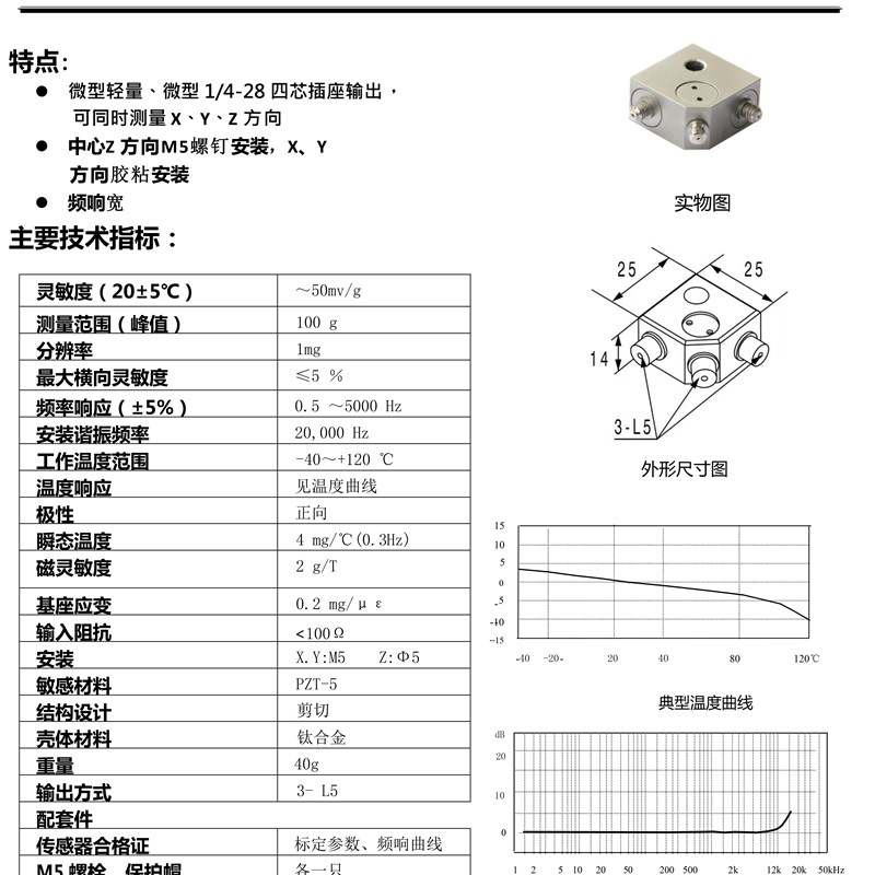
包装
5706
低价
振臣ZC1002LS ICP/IEPE250g三轴加速度传感器 三向加速度传感器
淘宝好物 众夏商贸城
购买 -
模玩/动漫/周边/娃圈三坑/桌游
80.55
低价
雷车RX270/IS250/ES300/LS/GS改装水晶LED自动档档把发光排挡头
淘宝好物 优惠阁工厂店的小店42
购买 -
3C数码配件
500
低价
LS ABN 250-D断路器。
淘宝好物 沪苏机械
购买 -
玩具/童车/益智/积木/模型
946
券后价
996LS电气塑壳断路器 ABE403B ABS403B 3P 250/300/350/400A
淘宝好物 百货城商贸城的小店99
50元优惠券 -
五金/工具
1012
券后价
1062原装LS产电塑壳断路器ABE-403B 400A,350A,300A,250A空气开关代理
淘宝好物 原语生设计馆02
50元优惠券 -
适用雷克萨斯车钥匙电池松下正品 进口制造
18
折扣
24.9适用雷克萨斯nx200t 250 es200 rx is 300h ls430遥控器ct汽车钥匙电池原装松下CR2032纽扣电子专用锁匙s款14
天猫好物 松下名扬专卖店
购买 -
户外/登山/野营/旅行用品
2999
低价
美国LE250IQ.LE550I.LE550UQ.LS2TP30-1050Q88现货议价
淘宝好物 百欧工控自动化
购买 -
电子元器件市场
7095
低价
原装供应UTS250L FTU 175A 3P Ll LS 电动新 Mccb 3P 175A 分离器
淘宝好物 现货工控设备一站式采购中心
购买 -
汽车零部件/养护/美容/维保
5
低价
雷克萨斯 ES250 LS460 GX400 NX200 RX270 GS300 后备箱内衬卡子
淘宝好物 北京丰菱销售部
购买 -
3C数码配件
345.12
低价
德力西4p250a漏电Cdm3Ls-125C/ 4300100a新型塑料壳三相四线断路
淘宝好物 长虹第八百货
购买 -
农用物资
1380
券后价
1430原装LS产电LG塑壳断路器 ABS403B 250A 300A 350A 400A总制开关
淘宝好物 函之梦商贸
50元优惠券